光伏逆流的產生在低壓供電系統中,一般都是由配電變壓器向電網中的各負載送電,稱為正向電流。安裝光伏電站后,當光伏發電功率大于本地負載的功率時,消納不完的電力要送入電網,由于電流方向和常規不一樣,所以叫反向電流(逆流)。光伏逆變器在將光伏組件產生的直流電逆變成交流電時,會夾雜有少量直流分量和諧波,同時,光伏電通過配電變壓器向大電網送電存在不可調度的情況。所以,目前部分電力部門只允許光伏系統并入市電電網,但不允許剩余電力通過配電變壓器向大電網饋電。防逆流裝置正是為了解決這類問題的。

防逆流裝置的工作原理檢測交流電網(AC400V,50Hz)供電回路三相電壓、電流(測量點),判斷功率流向和功率大小。如果電網供電回路出現逆功率現象,當逆功率值大于逆功率定值(可設定,單位W二次功率值)時,按照各個出口延時時限的不同,當延時超過相應出口的延時后,驅動該出口動作,跳閘順序為先跳出口1,再跳出口2,依次類推, 逐級斷開清潔電源并網系統中8個模組,直到逆功率現象消失。保護原理如下圖所示。

防逆流裝置在光伏并網中的作用正常光伏發電系統是將光伏組件直流電轉變成交流電并入電網。帶防逆流的光伏系統是光伏發的電僅供給就地負載使用,防止多余的電送入電網。當過多電力同時被送入電網,不僅會導致電能質量的下降,而且由于一些電線過于老舊,也會造成一些電氣故障。為了防止這些問題的產生,部分地區禁止或是限制電力送入電網,這個時候就需要安裝防逆流裝置。
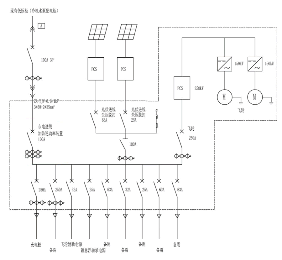
防逆流裝置典型應用圖紙
防逆流裝置單機防逆流方案主要一臺逆變器配一個雙向數字電表,逆變器和電表通過485接口通信,雙向電表安裝在并網點,當逆變器檢測到電表有電流流向電網的,立即改變工作模式,從MPPT較大功率跟蹤工作模式轉到控制輸出功率工作模式,逆變器的輸出功率近等于負載功率。這種方式適合于并網點電流在100A以下的單機模式,接線簡單,成本低,方便可靠,要求逆變器有485接口。如果光伏安裝的地方負載多,并網點電流大于100A,就需要配套電流互感器。

防逆流裝置多機防逆流方案如果逆變器超過1臺,建議使用多機防逆流方案,如下圖所示,多臺逆變器通過485接口串聯,連接到數據采集器,電流互感器檢測每一相電流,信號傳送到電表,再連接到數據采集器,再通過路由器,連接到以太網。通過遠程操作,設置服務器地址和防逆流參數。這種方式適合于多機模式,接線和調試比較復雜,但功能更強大,容量更大,要求逆變器有485接口,安裝現場有以太網。

上一篇:
什么是發電車應急快速接入箱
下一篇:
防逆流保護裝置