











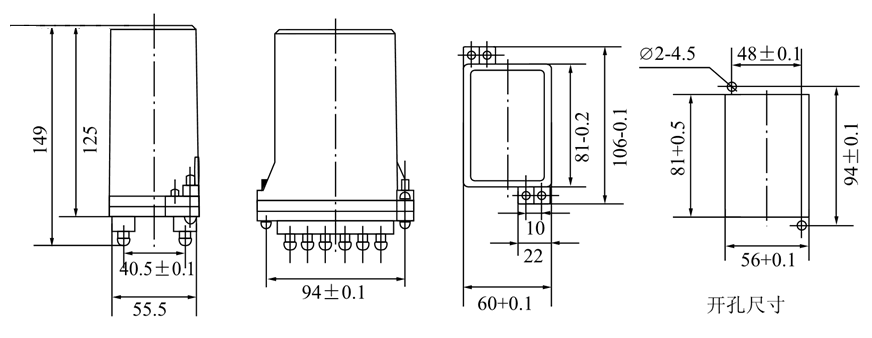
型號:DZ-32BG;
額定電壓:DC 220V、110V、48V、24V、12V;
結構類型:凸出式插拔結構;
可選用RZ系列集成電路導軌式中間繼電器替代;
●額定電壓:直流220V、110V、48V、24V、12V可選。
●動作值:額定電壓值30~70%。
●返回值:不小于額定值的5%。
●動作時間:在額定電壓下,動作時間不大于45ms。
●返回時間:不大于60ms。
●功率消耗:不大于7W。
●觸點容量:在電壓不超過250V,電流不超過5A,時間常數為5±0.75ms的直流有感負荷電路中,產品輸出觸點的斷開容量為50W。
●DZ-32BG輸出觸點長期允許接通電流為5A。
●可靠動作及返回系數:5×104次。
