



產品型號:HJS-E1/4時間繼電器
延時范圍:1分~999分
延時級差:1分
延時類型:單延時
額定電壓:110V、220V(AC/DC)

| 型號 | 延時范圍 | 級差 | 觸點類型 | 電源類型 |
| HJS-E1/1 | 20毫秒~9.99秒 | 10毫秒 | 單延時(1常開1轉換延時觸點,1常開1轉換瞬動觸點) | AC/DC:110V、220V |
| HJS-E1/2 | 0.1秒~99.9秒 | 100毫秒 | 單延時(1常開1轉換延時觸點,1常開1轉換瞬動觸點) | AC/DC:110V、220V |
| HJS-E1/3 | 1秒~999秒 | 1秒 | 單延時(1常開1轉換延時觸點,1常開1轉換瞬動觸點) | AC/DC:110V、220V |
| HJS-E1/4 | 1分~999分 | 1分 | 單延時(1常開1轉換延時觸點,1常開1轉換瞬動觸點) | AC/DC:110V、220V |
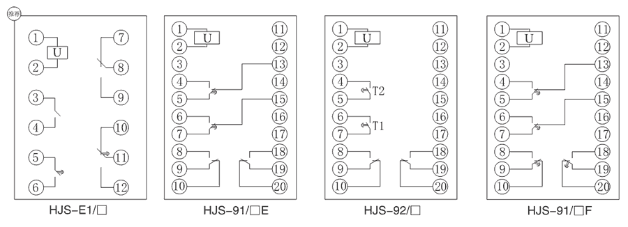
| HJS-91/1E | 20毫秒~9.99秒 | 10 | 單延時(2轉換延時觸點,2轉換瞬動觸點) | AC/DC:110V、220V |
| HJS-91/2E | 0.1秒~99.9秒 | 100毫秒 | 單延時(2轉換延時觸點,2轉換瞬動觸點) | AC/DC:110V、220V |
| HJS-91/3E | 1秒~999秒 | 1秒 | 單延時(2轉換延時觸點,2轉換瞬動觸點) | AC/DC:110V、220V |
| HJS-91/4E | 1分~999分 | 1分 | 單延時(2轉換延時觸點,2轉換瞬動觸點) | AC/DC:110V、220V |
| HJS-91/1F | 20毫秒~9.99秒 | 10 | 單延時(4轉換延時觸點) | AC/DC:110V、220V |
| HJS-91/2F | 0.1秒~99.9秒 | 100毫秒 | 單延時(4轉換延時觸點) | AC/DC:110V、220V |
| HJS-91/3F | 1秒~999秒 | 1秒 | 單延時(4轉換延時觸點) | AC/DC:110V、220V |
| HJS-91/4F | 1分~999分 | 1分 | 單延時(4轉換延時觸點) | AC/DC:110V、220V |
| HJS-92/1 | 20毫秒~9.99秒 | 10 | 雙延時(2常開延時觸點,2轉換瞬動觸點) | AC/DC:110V、220V |
| HJS-92/2 | 0.1秒~99.9秒 | 100毫秒 | 雙延時(2常開延時觸點,2轉換瞬動觸點) | AC/DC:110V、220V |
| HJS-92/3 | 1秒~999秒 | 1秒 | 雙延時(2常開延時觸點,2轉換瞬動觸點) | AC/DC:110V、220V |
| HJS-92/4 | 1分~999分 | 1分 | 雙延時(2常開延時觸點,2轉換瞬動觸點) | AC/DC:110V、220V |

| 額定參數 | |
| 直流額定電壓 | 110V、220V可選 |
| 交流額定電壓 | 110V、220V可選 |
| 直流動作電壓 | ≤70%額定電壓 |
| 直流動作電壓 | ≤75%額定電壓 |
| 延時范圍 | 20毫秒~9.99秒、0.1秒~99.9秒、1秒~999秒、1分鐘~999分鐘 |
| 返回時間 | ≤20mS |
| 功耗 | ≤5W |
| 安裝方式及接線 | |
| 安裝結構 | 導軌安裝 |
| 接線方式 | 端子排接線 |
| 絕緣性能 | |
| 絕緣電阻 | 繼電器外殼與外露帶電端子之間用開路電壓500V的兆歐表測量,絕緣電阻不小于10MΩ |
| 絕緣耐壓 | 繼電器外殼與外露帶電端子之間能耐受2KV(有效值)50Hz試驗電壓,歷時1分鐘,無擊穿或閃絡現象 |
| 環境條件 | |
| 環境溫度 | -15℃~55℃ |
| 工作電壓 | 不大于120%額定電壓 |
| 工作位置 | 任意 |
| 周圍磁場強度 | 小于0.5mT |
| 環境相對濕度 | 不大于90% |
| 大氣壓力 | 80~110KPa |
| 溫度 | -25℃~+70℃ |
| 海拔高度 | 不大于2500 米 |




