



產品型號:JHOK-ZBZ201漏電繼電器
動作電流:0.03~3A可調
動作時間:0.2S~2S可調
安裝方式:導軌安裝

| 型號 | 動作電流 | 動作時間 | 動作電流精度 | 互感器孔徑 |
| JHOK-ZBZ101 | 0.03~3A可調 | 0.2S~2S | 80%~100% | 25m、45m、100m |
| JHOK-ZBZ102 | 0.03~3A可調 | 0.2S~2S | 80%~100% | 25m、45m、100m |
| JHOK-ZBZ201 | 0.03~3A可調 | 0.2S~2S | 80%~100% | 25m、45m、100m |
| JHOK-ZBZ202 | 0.03~3A可調 | 0.2S~2S | 80%~100% | 25m、45m、100m |
| 額定參數 | |
| 控制電壓 | AC220V;DC12V、24V、48V |
| 漏電動作電流 | 0.03、0.07、0.1、0.3、0.5、1、1.5、2、2.5、3A可調 |
| 動作時間 | 0.2、0.4、0.6、0.8、1、1.2、1.4、1.6、1.8、2S可調 |
| 動作電流精度 | 80%~100% |
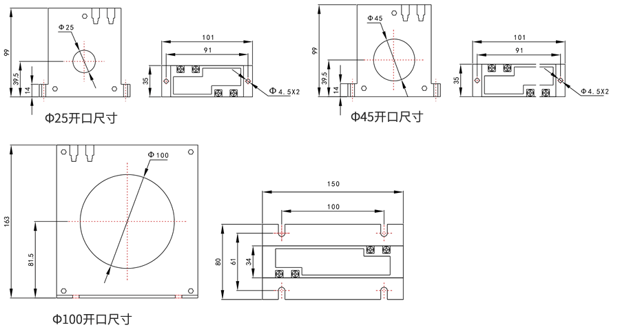
| 互感器孔徑 | 25m、45m、100m |
| 功耗 | ≤5W |
| 絕緣性能 | |
| 絕緣電阻 | 繼電器外殼與外露帶電端子之間用開路電壓500V的兆歐表測量,絕緣電阻不小于10MΩ |
| 絕緣耐壓 | 繼電器外殼與外露帶電端子之間能耐受2KV(有效值)50Hz試驗電壓,歷時1分鐘,無擊穿或閃絡現象 |
| 環境條件 | |
| 環境溫度 | -15℃~55℃ |
| 工作電壓 | 不大于120%額定電壓 |
| 工作位置 | 任意 |
| 周圍磁場強度 | 小于0.5mT |
| 環境相對濕度 | 不大于90% |
| 大氣壓力 | 80~110KPa |
| 溫度 | -25℃~+70℃ |
| 海拔高度 | 不大于2500 米 |


| 型號 | 開口尺寸 | 較大額定電流參考值(A) | 額定電壓(V) |
| Y-25 | Φ25 | 0~100 | 690、660、380 |
| Y-45 | Φ45 | 0~200 | |
| Y-100 | Φ100 | 0~630 | |
| 注:特定產品需提前溝通注明 | |||
