



產品型號:ZZS-7G/23
觸點形式:3常開1常閉1轉換
動作延時:≤15ms
額定電壓:24V、48V、110V、220V(AC/DC)

| 型號 | 觸點形式 | 動作延時 | 合閘返回延時 | 其它回路返回延時 |
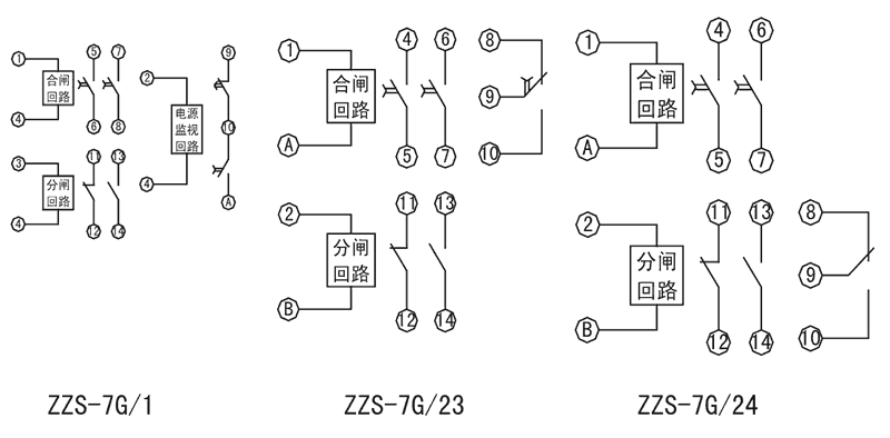
| ZZS-7G/1 | 4常開2常閉 | ≤15ms | ≤15ms | 15ms~2s可調 |
| ZZS-7G/23 | 3常開1常閉1轉換 | ≤15ms | ≤15ms | 15ms~2s可調 |
| ZZS-7G/24 | 3常開1常閉1轉換 | ≤15ms | ≤15ms | 15ms~2s可調 |

| 額定參數 | |
| 直流額定電壓 | 24V、48V、110V、220V可選 |
| 交流額定電壓 | 24V、48V、110V、220V可選 |
| 直流動作電壓 | ≤70%額定電壓 |
| 交流動作電壓 | ≤75%額定電壓 |
| 動作時間 | ≤15ms |
| 返回延時 | 合閘回路≤15ms,其它回路15ms~2s可調 |
| 返回電壓 | ≤20% |
| 功耗 | ≤10W |
| 絕緣性能 | |
| 絕緣電阻 | 繼電器外殼與外露帶電端子之間用開路電壓500V的兆歐表測量,絕緣電阻不小于10MΩ |
| 絕緣耐壓 | 繼電器外殼與外露帶電端子之間能耐受2KV(有效值)50Hz試驗電壓,歷時1分鐘,無擊穿或閃絡現象 |
| 環境條件 | |
| 環境溫度 | -15℃~55℃ |
| 工作電壓 | 不大于120%額定電壓 |
| 工作位置 | 任意 |
| 周圍磁場強度 | 小于0.5mT |
| 環境相對濕度 | 不大于90% |
| 大氣壓力 | 80~110KPa |
| 溫度 | -25℃~+70℃ |
| 海拔高度 | 不大于2500 米 |




